1997 Honda Civic Door Lock Not Working

97 Civic Power Door Locks Not Functioning 1997 Honda Civic Lx 4dr

97 Civic Power Door Locks Not Functioning 1997 Honda Civic Lx 4dr

1997 Honda Civic Key Fob Problem Honda Tech Honda Forum Discussion

1997 Honda Civic Key Fob Problem Honda Tech Honda Forum Discussion

1997 Honda Civic Ex

1997 Honda Civic Ex

1997 Honda Civic Review Ratings Edmunds

1997 Honda Civic Review Ratings Edmunds

96 97 98 99 00 Honda Civic Oem Door Lock Control Unit In 2020 Honda Civic Control Unit Civic

96 97 98 99 00 Honda Civic Oem Door Lock Control Unit In 2020 Honda Civic Control Unit Civic

1997 Honda Civic Installing Detachable Jdm Steering Wheel Youtube

1997 Honda Civic Installing Detachable Jdm Steering Wheel Youtube

1997 Honda Civic Installing Detachable Jdm Steering Wheel Youtube

This article applies to the honda civic 1992 2000 and accord 1990 2002.

1997 honda civic door lock not working.

Are the buttons on the key fob no longer working. Toyota nation forum 452k members. None of the doors. Open the door with the broken or damaged actuator from the inside of the vehicle.

Service type power door locks are not working inspection. Remove the door panel and verify that the white green wire has battery voltage from the fuse. 1997 honda civic lx 4dr 200 000 miles the power door locks on my car are not locking unlocking the doors. If you are having problems with your door locks this is the video for you make sure to watch until then.

I checked the fuses and they are ok. 1997 civic 1 6 1998 civic 1 6 customer concern. 2011 honda civic l4 2 0l. In most cases you can fix a faulty key fob without needing to take a trip to your local honda dealer.

Power door locks are not only convenient but also safe. 1994 honda civic l4 1 5l. This article applies to the honda civic del sol years 1992 2000. Get into the vehicle from another door if the door you are working on will not let you enter the vehicle.

8th gen honda civic forum 160k members. Try operating the door lock switch to rule out the idea that the door lock is not working. Rule out the door lock. How to install power locks want to update your ride with some new technology.

The power door looks do not work and the fuse is ok. A non functional key fob can usually be repaired with minor hassle and won t require a costly replacement. Service type power door locks are not working inspection. Kia k5 forum new.

Service type power door locks are not working inspection. Shop dealer price 96 83 105 71. Locate the power door lock control unit in the driver s door. How to install power locks.

Honda civic door lock may be sticky and not work due to worn door lock tumblers 181 reports. There is many helpful tips and tricks to aid you in.

Amazon Com 1997 Honda Civic Cx Reviews Images And Specs Vehicles

Amazon Com 1997 Honda Civic Cx Reviews Images And Specs Vehicles

Fs 97 Honda Civic 00 Front N Rear Conversion Slammed B Series Honda Civic Civic Sedan Honda Civic Sedan

Fs 97 Honda Civic 00 Front N Rear Conversion Slammed B Series Honda Civic Civic Sedan Honda Civic Sedan

1996 Honda Civic Drivers Door Wiring Harness Diagram Pressauto Net In On Honda Wiring Harness Diagram Trailer Wiring Diagram Diagram Electrical Wiring Diagram

1996 Honda Civic Drivers Door Wiring Harness Diagram Pressauto Net In On Honda Wiring Harness Diagram Trailer Wiring Diagram Diagram Electrical Wiring Diagram

Used 1997 Honda Civic Sedan Review Edmunds

Used 1997 Honda Civic Sedan Review Edmunds

Amazon Com For 96 00 Honda Civic 4dr Sedan Jdm Mugen Style Rear Trunk Lid Wing Spoiler Lip W 2 X Red Mugen Embl 2000 Honda Civic Honda Civic Vtec Honda Civic

Amazon Com For 96 00 Honda Civic 4dr Sedan Jdm Mugen Style Rear Trunk Lid Wing Spoiler Lip W 2 X Red Mugen Embl 2000 Honda Civic Honda Civic Vtec Honda Civic

Photo 1997 Honda Civic Ex Honda Civic Ex Honda Civic Honda

Photo 1997 Honda Civic Ex Honda Civic Ex Honda Civic Honda

1997 Honda Civic Lucky Charm Honda Civic Vtec Honda Civic Honda Civic Sedan

1997 Honda Civic Lucky Charm Honda Civic Vtec Honda Civic Honda Civic Sedan

Pin By Motor Werks Of Barrington On Honda Civic In 2020 Honda Civic Black Honda Civic Honda

Pin By Motor Werks Of Barrington On Honda Civic In 2020 Honda Civic Black Honda Civic Honda

Fantastic 1997 Honda Civic Photos Gallery Honda Civic Sedan Civic Jdm Honda Civic Vtec

Fantastic 1997 Honda Civic Photos Gallery Honda Civic Sedan Civic Jdm Honda Civic Vtec

1997 Honda Civic Ek Hatchback Interior View Photo 10 Honda Civic Honda Civic Coupe Honda Civic Hatchback

1997 Honda Civic Ek Hatchback Interior View Photo 10 Honda Civic Honda Civic Coupe Honda Civic Hatchback

Oe Solutions Door Lock Actuator Non Integrated 1996 2000 Honda Civic 1 6l 746 700 2000 Honda Civic Honda Civic Door Locks

Oe Solutions Door Lock Actuator Non Integrated 1996 2000 Honda Civic 1 6l 746 700 2000 Honda Civic Honda Civic Door Locks

Driver S Side Back Door Won T Open On A 97 Honda Civic Outside Handle Civic Home Repair Honda Civic

Driver S Side Back Door Won T Open On A 97 Honda Civic Outside Handle Civic Home Repair Honda Civic

97 01 Honda Crv Door Harness Repair Youtube

97 01 Honda Crv Door Harness Repair Youtube

Used 1997 Honda Civic Type R E Ek9 For Sale Bf279870 Be Forward

Used 1997 Honda Civic Type R E Ek9 For Sale Bf279870 Be Forward

Honda Civic Odyssey Driver Side Door Lock Cylinder Oem New In 2020 Honda Pilot Honda Civic Cylinder

Honda Civic Odyssey Driver Side Door Lock Cylinder Oem New In 2020 Honda Pilot Honda Civic Cylinder

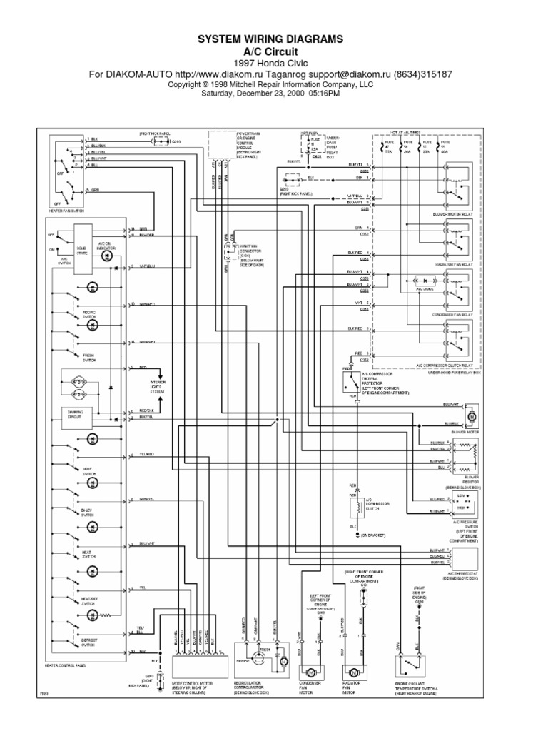
1997 Honda Civic Wiring Diagram Wiring Diagram Service Manual Pdf

1997 Honda Civic Wiring Diagram Wiring Diagram Service Manual Pdf

1997 Honda Civic Smackdown Super Street Magazine Honda Civic Hatchback Honda Civic Civic Hatchback

1997 Honda Civic Smackdown Super Street Magazine Honda Civic Hatchback Honda Civic Civic Hatchback

92 95 Civic Coupe Jdm

92 95 Civic Coupe Jdm

3

3

97 01 Honda Prelude Trunk Emblem 75701 Sm4 9000 H Symbol Badge Chrome Oem C404 Honda Emblem Logo Honda Honda Civic Coupe

97 01 Honda Prelude Trunk Emblem 75701 Sm4 9000 H Symbol Badge Chrome Oem C404 Honda Emblem Logo Honda Honda Civic Coupe

Honda Civic Si Wallpaper Honda Civic Si Honda Civic Honda Civic Si Coupe

Honda Civic Si Wallpaper Honda Civic Si Honda Civic Honda Civic Si Coupe

Honda Cr X Del Sol Wikipedia

Honda Cr X Del Sol Wikipedia

1997 Honda Civic For Sale By Owner In San Jose Ca 95132

1997 Honda Civic For Sale By Owner In San Jose Ca 95132

Christian Lacayo S 1997 Honda Civic On Wheelwell

Christian Lacayo S 1997 Honda Civic On Wheelwell

96 97 98 99 00 Honda Civic Oem Rear Seat Lock Cylinder Honda Civic Rear Seat Honda

96 97 98 99 00 Honda Civic Oem Rear Seat Lock Cylinder Honda Civic Rear Seat Honda

How To Remove Front Door Panel 96 00 Honda Civic Youtube

How To Remove Front Door Panel 96 00 Honda Civic Youtube

Honda Civic Sixth Generation Wikiwand

Honda Civic Sixth Generation Wikiwand

97 Honda Civic Si Coupe Honda Civic Si Honda Honda Civic Si Coupe

97 Honda Civic Si Coupe Honda Civic Si Honda Honda Civic Si Coupe

1993 1997 Honda Civic Del Sol Ball Joint Mevotech Honda Ball Joint Mk9802 93 94 95 96 97 Auto Parts Online Honda Civic Civic

1993 1997 Honda Civic Del Sol Ball Joint Mevotech Honda Ball Joint Mk9802 93 94 95 96 97 Auto Parts Online Honda Civic Civic

Pin By V Corp On Strictlyforeign Biz Honda Honda Odyssey Timing Belt Honda

Pin By V Corp On Strictlyforeign Biz Honda Honda Odyssey Timing Belt Honda

Jdm T R Style Black Poly Propylene Front Bumper Lip Spoiler For 96 97 98 Honda Civic Honda Civic Type R Honda Civic Civic

Jdm T R Style Black Poly Propylene Front Bumper Lip Spoiler For 96 97 98 Honda Civic Honda Civic Type R Honda Civic Civic

Honda Crx Del Sol The Only One Honda Crx Honda Del Sol Honda

Honda Crx Del Sol The Only One Honda Crx Honda Del Sol Honda

1997 Honda Civic Vin Check Specs Recalls Autodetective

1997 Honda Civic Vin Check Specs Recalls Autodetective

1997 Honda Civic Type R E Ek9 Specifications Technical Data Performance Fuel Economy Emissions Dimensions Horsepower Torque Weight

1997 Honda Civic Type R E Ek9 Specifications Technical Data Performance Fuel Economy Emissions Dimensions Horsepower Torque Weight

77 03 Gm Lock Actuator Pair Actuator Lock Door Locks

77 03 Gm Lock Actuator Pair Actuator Lock Door Locks

Honda Civic 97 Wiring Diagram Private Transport Automotive Industry

Honda Civic 97 Wiring Diagram Private Transport Automotive Industry

Car Brand Auctioned Honda Civic Si 1991 Car Model Honda Civic Si Under 77 K Og Miles 98 All Oem In Great Shape Honda Cars Motorcycles Jdm

Car Brand Auctioned Honda Civic Si 1991 Car Model Honda Civic Si Under 77 K Og Miles 98 All Oem In Great Shape Honda Cars Motorcycles Jdm

The Smoov W4gon Build Thread No More Page 22 Honda Accord Wagon Jdm Honda Honda Accord

The Smoov W4gon Build Thread No More Page 22 Honda Accord Wagon Jdm Honda Honda Accord

Used 1997 Honda Civic Door Lock Control 38380 S01 A01 38380s01a01 Purchase From Https Ahparts Com Buy Used 1997 Honda C With Images Honda Civic Honda Civic Parts Civic

Used 1997 Honda Civic Door Lock Control 38380 S01 A01 38380s01a01 Purchase From Https Ahparts Com Buy Used 1997 Honda C With Images Honda Civic Honda Civic Parts Civic

Honda Civic Gli 1997 Price Specs Carsguide

Honda Civic Gli 1997 Price Specs Carsguide

Honda Civic Parts Manual In 2020 Honda Civic Honda Civic Parts Honda Civic Engine

Honda Civic Parts Manual In 2020 Honda Civic Honda Civic Parts Honda Civic Engine

1997 1998 1999 2000 2001 Cr V Crv Honda Cargo Shelf Cover 08u35 S10 101 Ebay Motors Parts Amp Accessories Honda Crv Honda Crv Accessories Honda Crv 4x4

1997 1998 1999 2000 2001 Cr V Crv Honda Cargo Shelf Cover 08u35 S10 101 Ebay Motors Parts Amp Accessories Honda Crv Honda Crv Accessories Honda Crv 4x4

Https Encrypted Tbn0 Gstatic Com Images Q Tbn 3aand9gcs4p Rs9 00yf874afjlo0btbv Syxtyk3a8ibvnhzkocc Iqb Usqp Cau

Https Encrypted Tbn0 Gstatic Com Images Q Tbn 3aand9gcs4p Rs9 00yf874afjlo0btbv Syxtyk3a8ibvnhzkocc Iqb Usqp Cau

Source : pinterest.com